D671X氣動蝶閥
D671X氣動調節蝶閥是由氣動活塞式執行器、橡膠密封蝶閥和碳鋼或不銹鋼閥板、閥桿構成。外加配閥門定位器,輸入控制信號(4-20mADC)及0.4-0.7MPa的氣源即可控制運轉。氣動調節蝶閥適用于溫度≤120℃如食品、醫藥、化工、石油、電力、輕紡、造紙等給排水、氣體管道上作調節流量和截流介質的作用。
D671X氣動調節蝶閥是由氣動活塞式執行器、橡膠密封蝶閥和碳鋼或不銹鋼閥板、閥桿構成。外加配閥門定位器,輸入控制信號(4-20mADC)及0.4-0.7MPa的氣源即可控制運轉。氣動調節蝶閥適用于溫度≤120℃如食品、醫藥、化工、石油、電力、輕紡、造紙等給排水、氣體管道上作調節流量和截流介質的作用。
| 產品名稱: | 氣動調節蝶閥 | 產品型號: | D671X |
| 公稱通徑: | DN50~DN1000 | 閥座密封: | 丁青橡膠、聚四氟乙烯、司太立合金 |
| 公稱壓力: | 1.0Mpa~1.6MPa | 連接方式: | 對夾、法蘭 |
| 適用溫度: | -20oC~+150oC | 驅動方式: | 手動、蝸輪、電動、氣動 |
| 閥體材質: | 鑄鐵、球墨鑄鐵、鑄鋼、不銹鋼 | 制造標準: | 國標GB、德國DIN、美國API、ANSI |
| 適用介質: | 水、油、氣體、粉體、液體 | 生產廠家: | 上海亞澤 |
D671X氣動調節蝶閥是由氣動活塞式執行器、橡膠密封蝶閥和碳鋼或不銹鋼閥板、閥桿構成。外加配閥門定位器,輸入控制信號(4-20mADC)及0.4-0.7MPa的氣源即可控制運轉。氣動調節蝶閥適用于溫度≤120℃如食品、醫藥、化工、石油、電力、輕紡、造紙等給排水、氣體管道上作調節流量和截流介質的作用。
(1)設計新穎、合理、結構獨特,重量輕,啟閉迅速。
(2)操力矩小,操作方便,省力靈巧。
(3)可以任何位置安裝,維修方便。
(4)密封件可以更換,密封性能可靠達到雙向密封零泄漏。
(5)密封材料耐老化、耐腐蝕,使用壽命長等特點。
| 設計標準 | GB/T12238-1989 |
| 法蘭連接尺寸 | GB/T9113.1-2000;GB/T9115.1-2000;JB78 |
| 結構長度 | GB/T12221-1989 |
| 壓力試驗 | GB/T13927-2000;JB/T9092-1999 |
| 公稱通徑DN(mm) | DN50~1000mm |
| 公稱壓力(MPa) | PN1.0、1.6、2.5MPa |
| 閥體形式 | 直通鑄造閥體 |
| 連接形式 | 法蘭式、對夾式 |
| 閥芯形式 | 蝶板式 |
| 密封填料 | 柔性石墨、聚四氟乙烯 |
| 基本誤差 | 帶定位器:小于全行程的±2% |
| 回差 | 帶定位器:小于全行程的±2% |
| 控制方式 | 開關型(開關兩位控制)、調節型(4~20mA控制) |
| 執行器型號 | GT、AT、AR、AW系列單雙作用氣動執行器 |
| 供氣壓力 | 0.4~0.7MPa |
| 氣源接口 | G1/4"、G1/8"、G3/8"、G1/2" |
| 環境溫度 | -30~+70℃ |
| 作用形式 | 單作用執行機構:氣關式(B)--失氣時閥位開(FO);氣開式(K)--失氣時閥位關(FC) 雙作用執行機構:氣關式(B)--失氣時閥位保持(FL);氣開式(K)-- 失氣時閥位保持(FL) |
| 可配附件 | 定位器、電磁閥、空氣過濾減壓器、保位閥、行程開關、閥位傳送器、手輪機構等 |
采用新型系列氣動執行器,有雙作用式和單作用式(彈簧復位),齒輪齒條傳動,安全可靠;大口徑閥門采用系列AW型氣動執行器拔叉式傳動,結構合理,輸出扭矩大,有雙作用式和單作用式。
1、齒輪式雙活塞,輸出力矩大,體積小。
2、氣缸選用鋁金材料,重量輕、外形美觀。
3、可在頂部、底部安裝手動操作機構。
4、齒條式連接可調節開啟角度、額定流量。
5、執行器可選帶電訊號反饋指示及各類附件以實現自動化操作。
6、IS05211標準連接為產品的安裝更換提供了方便。
7、兩端調的節螺釘可使標準產品在0°和90°有±4°的可調范圍。確保與閥門的同步精度。
| 零件名稱 | 主要材料 |
| 閥體 | 灰鑄鐵、球墨鑄鐵、鑄鋼、合金鋼、不銹鋼 |
| 蝶板 | 灰鑄鐵、球墨鑄鋼、鑄鋼、不銹鋼及特殊材料 |
| 密封圈 | 各種橡膠、聚四氟 |
| 閥桿 | 2Cr13、不銹鋼 |
| 填料 | O型圈、柔性石墨O |
| 公稱通徑 | DN(mm) | 50~1000 | ||
| 公稱壓力 | PN(MPa) | 0.6 | 1.0 | 1.6 |
| 試驗壓力 | 強度試驗 | 0.9 | 1.5 | 2.4 |
| 密封試驗 | 0.66 | 1.1 | 1.76 | |
| 氣密封試驗 | 0.6 | 0.6 | 0.6 | |
| 適用介質 | 空氣、水、污水、蒸氣、煤氣、油品等。 | |||
| 驅動形式 | 氣動傳動 | |||
| 材料品種 | 氯丁橡膠 | 丁晴橡膠 | 乙丙橡膠 | 聚四氟乙烯 | 硅橡膠 | 氟橡膠 | 天然橡膠 | 尼龍 |
| 英語簡稱 | CR | NBR | EPDM | PTFE | SI | VITON | NR | PA |
| 型號代號 | X或J | XA或JA | XB或JB | F或XC、JC | XD或JD | XE或JE | X1 | N |
| 耐最高溫度 | 82℃ | 93℃ | 150℃ | 232℃ | 250℃ | 204℃ | 85℃ | 93℃ |
| 耐最低溫度 | -40℃ | -40℃ | -40℃ | -268℃ | -70℃ | -23℃ | -20℃ | -73℃ |
| 適用工作溫度 | 0~+80℃ | -20~+82℃ | -40~+125℃ | -30~+150℃ | -70~+150℃ | -23~+150℃ | -20~+85℃ | -30~+93℃ |

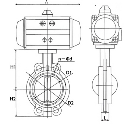
| 公稱通徑 | 長度 | 外形尺寸(參考值) | 連接尺寸(標準值) | |||||||||||
| 0.6MPa | 1.0MPa | 1.6MPa | ||||||||||||
| 毫米 | 英寸 | L | H1 | H2 | A | D | D1 | n-d | D | D1 | n-d | D | D1 | n-d |
| 50 | 2 | 43 | 63 | 315 | 180 | 140 | 110 | 4-14 | 165 | 125 | 4-18 | 165 | 125 | 4-18 |
| 65 | 21/2 | 46 | 70 | 330 | 180 | 160 | 130 | 4-14 | 185 | 145 | 4-18 | 185 | 145 | 4-18 |
| 80 | 3 | 46 | 83 | 390 | 245 | 190 | 150 | 4-18 | 200 | 160 | 8-18 | 200 | 160 | 8-18 |
| 100 | 4 | 52 | 105 | 431 | 240 | 210 | 170 | 4-18 | 220 | 180 | 8-18 | 220 | 180 | 8-18 |
| 125 | 5 | 56 | 115 | 455 | 240 | 240 | 200 | 8-18 | 250 | 210 | 8-18 | 250 | 210 | 8-18 |
| 150 | 6 | 56 | 137 | 626 | 350 | 265 | 225 | 8-18 | 285 | 240 | 8-22 | 285 | 240 | 8-22 |
| 200 | 8 | 60 | 164 | 720 | 350 | 320 | 280 | 8-18 | 340 | 295 | 8-22 | 340 | 295 | 12-22 |
| 250 | 10 | 68 | 206 | 800 | 550 | 375 | 335 | 12-18 | 395 | 350 | 12-22 | 405 | 355 | 12-26 |
| 300 | 12 | 78 | 230 | 860 | 600 | 440 | 395 | 12-22 | 445 | 400 | 12-22 | 460 | 410 | 12-26 |
| 350 | 14 | 78 | 248 | 883 | 600 | 490 | 445 | 12-22 | 505 | 460 | 16-22 | 520 | 470 | 16-26 |
| 400 | 16 | 102 | 289 | 972 | 600 | 540 | 495 | 16-22 | 565 | 515 | 16-26 | 580 | 525 | 16-30 |
| 450 | 18 | 114 | 320 | 1043 | 750 | 595 | 550 | 16-22 | 615 | 565 | 20-26 | 640 | 585 | 20-30 |
| 500 | 20 | 127 | 343 | 1098 | 750 | 645 | 600 | 20-22 | 670 | 620 | 20-26 | 715 | 650 | 20-33 |
| 600 | 24 | 154 | 413 | 1236 | 750 | 755 | 705 | 20-26 | 780 | 725 | 20-30 | 840 | 770 | 20-36 |
| 700 | 28 | 165 | 478 | 1431 | 750 | 860 | 810 | 24-26 | 895 | 840 | 24-30 | 910 | 840 | 24-36 |
| 800 | 32 | 190 | 525 | 1488 | 750 | 975 | 920 | 24-30 | 1015 | 950 | 24-33 | 1025 | 950 | 24-39 |
| 900 | 36 | 203 | 620 | 1615 | 1250 | 1075 | 1020 | 24-30 | 1115 | 1050 | 28-33 | 1125 | 1050 | 28-39 |
| 1000 | 40 | 216 | 725 | 1765 | 1500 | 1175 | 1120 | 28-30 | 1230 | 1160 | 28-36 | 1255 | 1170 | 28-42 |
| 1200 | 48 | 254 | 780 | 1976 | 1500 | 1405 | 1340 | 32-33 | 1455 | 1380 | 32-39 | 1485 | 1390 | 32-48 |
上海氬澤控制閥門有限公司
滬公網安備31010702008283 滬ICP備2024073973號